Click to Install Mobile App to see Previous Questions and Answers for all Chapters
Previous Year Physics Question Papers (with solutions) of Kerala State Syllabus of Higher Secondary Examinations. Chapter Name: OSCILLATIONS
Previous Year Questions of March Examinations from 2010 to 2020
Chapter Name: OSCILLATIONS
Q.1 Score: 4 Year: 2010_March
Clck here to see the answer
The motions that repeat themselves are called periodic motions but for a simple harmonic motion, the force must be proportional to the displacement and it is directed towards the centre of motion.
a) Write an example for a periodic motion that is not a simple harmonic.
b) Write the expression for a period of oscillation of :
i. A loaded spring ii. A simple pendulum
c) A particle executes a SHM of amplitude ‘a’.
i. At what distance from the mean position is its kinetic energy equal to its potential energy?
ii. At what points is its speed half the maximum speed?
Q.2 Score: 5 Year: 2011_March
Clck here to see the answer
a) A simple pendulum is an object suspended by a weightless and inextensible string fixed rigidly to a support.
i. Under what conditions for the amplitude, are the oscillations of the pendulum simple harmonic?
ii.The period of oscillation of pendulum is T. What will be the period if the pendulum is suspended in a lift moving down with acceleration equal to g/3.
b) A particle executing SHM possess both potential energy and kinetic energy. During the oscillation, the total energy remains constant. If A is the amplitude of oscillation of the particle,
i. Show graphically, the variation of potential energy and kinetic energy with displacement.
ii. At what displacement are these energies equal?
Q.3 Score: 4 Year: 2012_March
Clck here to see the answer
Oscillation of a loaded spring are simple harmonic motion.
a) What do you mean by simple harmonic motion?
b) Derive an expression for period of oscillation of a loaded spring.
c) A body oscillate with S.H.M.is given by x = 5 Cos [ 2 π t + π /4] calculate the displacement at time, t=1.5s
Q.4 Score: 3 Year: 2013_March_FY
Clck here to see the answer
The motion represent by the equation y(t) = A Cos (ωt + φ ) is called simple harmonic motion (SHM).
a) Which one of the following examples closely represents SHM? Substantiate your answer.
     i) The rotation of the earth about it axis.       ii) Oscillations of a swing.
b) A vibrating simple pendulum of period T is placed in a lift which is accelerating downwards. What is the effect of this on the time period of the pendulum?
c) The displacement of y (in cm) of an oscillating particle varies with time t (in sec) according to the equation. y = 2 Cos (0.5π t + π / 3)
Find the amplitude and period of the particle.
Q.5 Score: 4 Year: 2014_March_FY
Clck here to see the answer
A simple pendulum starts with its bob at position X, shown in the figure. The bob is pulled aside to Y and then released. It swings from Y to Z and back to Y.
a) Take suitable words from the bracket and fill in the gaps.
    (Potential,    constant,    kinetic,     different,     work,     resonance)
To move the bob from X to Y, ......… has to be done on it and its ..........… energy increases. As it moves from Y to X, some of this energy is converted to .........… energy. Throughout the swing from Y to Z and back to Y, the total energy is ...........
b) What is the acceleration of the bob when it is at X?
c) What are damped oscillations?
Q.6 Score: 3 Year: 2015_March_FY
Clck here to see the answer
Fill in the blanks.
i.i =1 i.i =1 |i . i| = ……………
Frequency v = 1/T……… = 2π / λ Angular frequency ω = 2π /T
Two strings A and B are vibrating together. Frequency of string A decreasing from 324HzFixed frequency of string B = ........HzNumber of beats increasing from 6 per second.
Q.7 Score: 5 Year: 2015_March_FY
Clck here to see the answer
a) A particle executing SHM is an example of ...............…
       i) acceleration of constant magnitude and direction.
       ii) acceleration of changing magnitude and direction.
       iii) acceleration of changing magnitude but constant direction.
       iv) acceleration of constant magnitude but changing direction.
b) List any two conditions for a motion of a body to be simple harmonic.
c) An SHM is given by x = 8 Sin ( 10 π t + π / 4 ) m. At which position will its kinetic energy become equal to its potential energy?
Q.8 Score: 4 Year: 2016_March_FY
Clck here to see the answer
Motion of a simple pendulum is an example for simple harmonic motion.
a) What do you mean by simple harmonic motion?
b) The acceleration due to gravity on the surface of the moon is 1.7 m/s2 What is the time period of a simple pendulum on the moon, if its time period on the earth is 3.5 second?
Q.9 Score: 4 Year: 2017_March_FY
Clck here to see the answer
a) Among the following, which are the examples simple harmonic motion?
i) The rotation of earth about its axis
ii) Vertical oscillations of a loaded spring
iii) Oscillations of simple pendulum
iv) Uniform circular motion
b) The displacement in simple harmonic motion can be represented as x(t) = Acos( ω t + φ ), where φ is the phase constant. Identify and define “A” and “ω” in the equation
Q.10 Score: 1 Year: 2018_March_FY
Clck here to see the answer
What is the time period of a seconds pendulum ?
Q.11 Score: 4 Year: 2018_March_FY
Clck here to see the answer
a) Which one of the following relationships between the acceleration (a) and the displacement (x) of a particle involve simple harmonic motion?
  i) a = 0.7 x     ii) a = - 200x2     iii) a = 10 x     iv) a = 100 x3
b) A simple harmonic motion is represented as x = A Cos ω t. Obtain the expression for velocity and acceleration of the object and hence prove that acceleration is directly proportional to the displacement.
Q.12 Score: 5 Year: 2019_March_FY
Clck here to see the answer
a) Prove that the oscillations of a simple pendulum are simple harmonic and hence derive an expression for the time period of a simple pendulum
b) What is the length of a simple pendulum, which ticks seconds?
Q.13 Score: 2 Year: 2020_March_FY
Clck here to see the answer
Show that the function (sin ωt – cos ωt) represents simple harmonic motion
Q.14 Score: 3 Year: 2020_March_FY
Clck here to see the answer
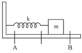
Simple harmonic motion of a block of mass m attached to a spring is shown in figure. The distance between extreme points A and B is 10 cm.
Take the direction from A to B as the positive. Redraw the given table and give the signs of velocity, acceleration and force.
PointVelocityAccelerationForce
(a)at the end B0
(b)at the mid-point of AB going towards A00
(c)at 2 cm away from B going towards A
Q.15 Score: 4 Year: 2021_March_FY
Clck here to see the answer
Derive an expression for period of a simple pendulum